IT Enterprise - шаблон joomla Окна

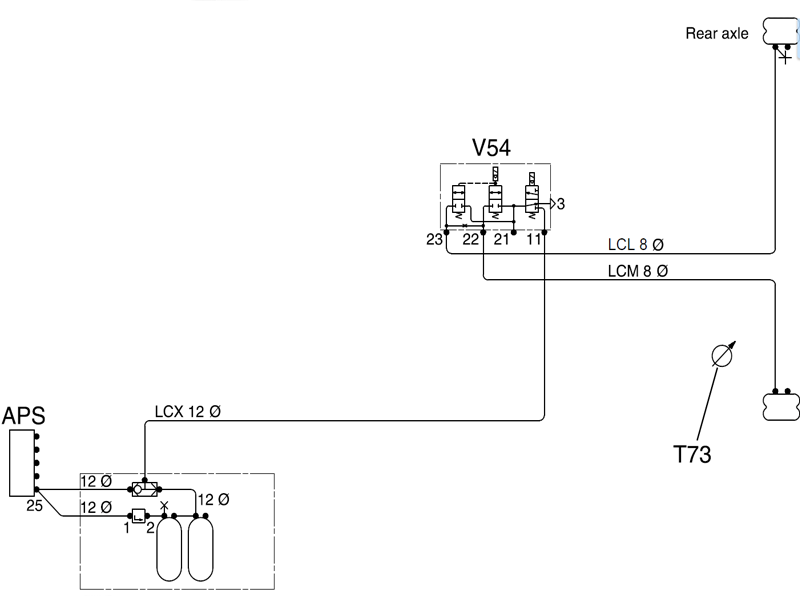
     Доброго времени суток, уважаемые читатели. Сегодня рассмотрим подвеску Скания, SMS ELC3. Производитель пневмооборудования - Wabco. Подвеска вполне каноническая, имеется модуль подготовки воздуха, с 24 порта которого идет питание на ресивер, для накопление резервного воздуха, и непосредственно через двойной обратный клапан на блок электромагнитных клапанов. Они в свою очередь управляются электронным блоком, в зависимости от нагрузки, или желания водителя, подают и удаляют воздух из пневмобаллонов. Стоит отметить, Scania устанавливает ЭБУ непосредственно на блок клапанов в задней части грузовика. С одной стороны, это плюс, так как основные датчики и управляемые элементы находятся именно там. (уменьшается длинна проводов, как следствие повышается надежность). Но есть и минус - питание ЭБУ приходится тянуть через весь авто, и самое главное, блоку управления постоянно приходиться иметь дело с агрессивной средой. Теперь стоит поговорить о системе управления. В транспортном положении блок считывает показания с пульта управления в кабине водителя, с датчика уровня пола и с датчика нагрузки. В зависимости от загруженности задней оси, ЭБУ принимает решение какой уровень подвески выставить. В ручном управлении блок интересуют показания с пульта и информация с датчика нагрузки.

Pnevmaticheskaja shema podveski Scania

APS - модуль подготовки сжатого воздуха.

Т73 - уровень пола.

V54 - блок электромагнитных клапанов. Вы хотите узнать как мы диагностируем подвеску с электронным управлением, вам сюда. Если вас интересует калибровка уровня пола и нагрузки по осям, все тут.

Jivosite