IT Enterprise - шаблон joomla Окна

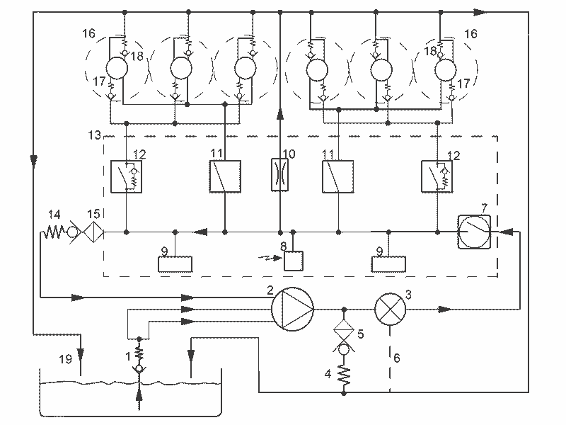
      Доброго времени суток, уважаемые читатели! В данной статье пойдет речь о топливной системе Скания HPI. На данный момент это устаревшая система, под управлением ЭБУ S6. Применялась на двигателях Скания 4-ой и 5-ой сериях, приблизительно до марта 2008 года. Центральным компонентом следует считать топливную рейку, с установленными в нее электромагнитными клапанами (2 для опережения впрыска, 2 для цикловой подачи). Из бака топливо забирается топлевным насосом высокого давления.  В нем установлен перепускной клапан, на случай если давление возрастет более 25 бар. 

Toplivnaja-sistema-HPI

  1. Обратный клапан
  2. Топливоподкачивающий насос
  3. Топливный фильтр
  4. Предохранительный клапан
  5. Дроссель, 0,12 мм
  6. Сливная магистраль (для слива топлива при замене топливного фильтра)
  7. Клапан отсечки топлива
  8. Датчик давления и температуры подачи топлива
  9. Гасители пульсаций давления
  10. Распылитель
  11. Электромагнитные клапаны опережения впрыска
  12. Электромагнитные клапаны цикловой подачи топлива
  13. Корпус блока клапанов
  14. Предохранительный клапан
  15. Дроссель, 0,55 мм
  16. Цилиндры с насос-форсунками
  17. Обратный клапан (в насос-форсунке)
  18. Втулка (в насос-форсунке)
  19. Топливный бак.

    Цикловая подача и опережение впрыска топлива

           Перепускной клапан поддерживает постоянное давление в топливной системе. Давление топлива при частоте вращения холостого хода должно составлять приблизительно 14,5 бар. Блок управления двигателем - это система электронного управления, которая управляет тем, сколько топлива насос-форсунка должна впрыснуть в цилиндр, и тем, когда насос-форсунка должна впрыскивать топливо. Топливо для впрыска в цилиндры и топливо для регулирования опережения впрыска, поступающее в насос-форсунки, регулируется электромагнитными клапанами. Два электромагнитных клапана регулируют цикловую подачу топлива, и два электромагнитных клапана регулируют топливо для регулирования опережения впрыска – по одному электромагнитному клапану каждого типа на соответствующий ряд цилиндров. Длительность управляющего импульса (т.е. продолжительность открытого состояния электромагнитного клапана) определяет объем топлива, поступающий в насос-форсунку. Давление топлива поддерживается постоянным, а длительность фазы регулируется. Длительность импульса задается блоком управления двигателем. Блок управления двигателем компенсирует проявления неравномерности в работе двигателя. Блок управления выполняет функцию мозга системы управления двигателем. Блок управления двигателем обрабатывает как сигналы от датчиков и устройств, входящих в систему EDC, так и данные, получаемые от блоков управления других систем автомобиля. Когда блок управления двигателем обработает эту информацию, он посылает сигналы электромагнитным клапанам, которые, в свою очередь, управляют подачей топлива к насос-форсункам и опережением впрыска (альфа). Блок управления двигателем компенсирует количество топлива за счет ускорения маховика. Однако блок управления двигателем не может определять правильность задания опережения впрыска (альфа). О двигателях Скания можно узнать по следующей, ссылке. Турбины с перепускным клапаном, читаем тут.

Jivosite